1
         / 
        od
        6
      
      
    Lumis electric
Šifra proizvoda:850938
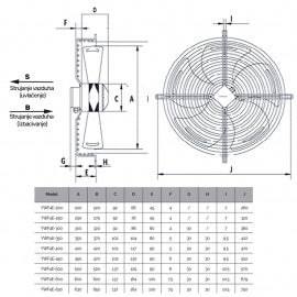
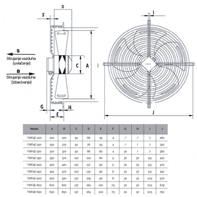
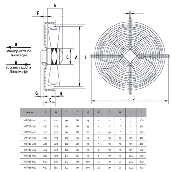
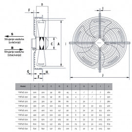
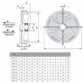
VENT.YWF4E-600 ASPIRANTE
VENT.YWF4E-600 ASPIRANTE
Cena
          
            26,939.90 RSD
          
      
          Cena
          
            
              
                
              
            
          Cena na popustu
        
          26,939.90 RSD
        
      
      
        Cena po jedinici
        
          
          /
           po 
          
          
        
      
    Porez je uračunat u cenu
Nije moguće učitati dostupnost za preuzimanje
Share
 
 
 
 
 

-Ukoliko imate bilo kakvih pitanja u vezi naših artikala, kontaktirajte nas na telefon 0694681666
-Porudžbina stiže za 1 do 5 radnih dana, gde god da ste u Srbiji
-Naš tim vas brzo kontaktira za potvrdu i dodatne informacije
-Jednostavno, sigurno i bez čekanja
 
           
     
     
     
     
    